In this article

The Ultimate Guide to Oil Seals

Oil seals are found in a wide range of applications, in virtually every industrial sector. It is essential to select the correct oil seal so that the application in which it is used can run efficiently, free of leaks or other issues. In this blog, we explain which factors you should pay attention to when selecting the best oil seal for your application.

Oil seal specifications

The group of oil seals used in dynamic applications include radial shaft seals that seal a rotating shaft around its circumference. They are also known as lip seals, but in this blog we will use the term oil seals.

Usually, these oil seals are used to seal lubricating oil or grease and contain it within the application, so that moving parts such as bearings are continually supplied with enough lubrication. However, such seals are also used for sealing other liquids, gases, and solids, such as powders or granules.

An oil seal consists of:

  • An outer case, a body made of metal or provided with a rubber layer
  • A rubber or PTFE sealing lip
  • A spring, the composition of which depends on the type
     

The lip is specially designed to ensure the oil seal works effectively with the different forces that arise during rotation. Many different designs and materials are used, so countless types of oil seals are available. These are chosen according to the application; pumps, gearboxes, wheels, and many other rotating applications where fluids need to be sealed. They are used in a variety of sectors, such as the chemical industry, manufacturing, wind turbines, automotive sector, food industry, and more. Oil seals are used in nearly all sectors.

Choosing the right oil seal

What should you take into account when selecting an oil seal? Different types of oil seals and various types of materials are available, each designed for specific uses. It is also important to select the right size of oil seal for the best results. For this reason, selecting the right oil seal requires adequate understanding of the application in which it will be used.

Oil seal type or shape

Most standard oil seals have to comply with the DIN 3760 and ISO 6194 standards. Different standard types of oil seals are available that comply with these requirements.

The most common oil seals are the ERIKS types R, RST, M and MST, which correspond respectively to types A, AS, B and BS according to DIN 3760/ISO 6194.

DIN    

Standard 3760/3761

ERIKS

DIN    

A

Standard 3760/3761

Rubber covered

ERIKS

R

DIN    

AS

Standard 3760/3761

As type A with dust lip

ERIKS

RS

DIN    

B

Standard 3760/3761

Metal cased design

ERIKS

M

DIN    

BS

Standard 3760/3761

As type B with dust lip

ERIKS

MS

DIN    

C

Standard 3760/3761

Double metal cased

ERIKS

GV

DIN    

CS

Standard 3760/3761

As type C with dust lip

ERIKS

GVST

All are fitted with a spring to preload the sealing lip. All these types are for non-pressurised or low-pressure applications up to 0.5 bar for diameters of a limited size. For diameter of 500 mm or more, the maximum pressure is 0.1 bar. For higher pressures, special types or PTFE lip seals can be used.

ERIKS type M (type B according to the DIN standard) has a single metal casing and rubber sealing lip. Since the casing is made of metal, it must be fitted in a well-finished, undamaged groove. Large volumes of oil seals with metal casings are often cheaper, which is why they are often used as original equipment in machines. However, if an oil seal has to be replaced, types with a rubber exterior (type R or RST) are easier to fit. Type MST is similar to M and commonly used. The difference is the dust lip in the MST oil seal that prevents dust and dirt reaching the sealing lip, and extends its service life in dusty environments.

ERIKS type GV (type C according to DIN) is equivalent to type M, but is a heavy-duty version with a double metal casing. This can be a useful solution with larger diameters in more demanding applications. There is also a version of this type with a dust lip; the GVST (type CS according to DIN).

ERIKS type R (type A according to the DIN standard) is identical in shape to type M, but has a rubber outer case with metal reinforcement on the inside. The rubber creates a good seal in the housing, even if the housing has suffered minor damage or is not in its best condition for other reasons. The RST version has a dust lip. These types are often chosen to replace a type with a metal outer case because they are easier to install and can cope with minor damage to the groove, such as scratches.

ERIKS also supplies the types GR and GRST. These are virtually identical to the types R and RST, except in this case the metal inner ring is also completely encased in rubber. ERIKS uses FKM rubber here as standard, so these seals are ideal for use in acidic environments.

An overview of the different standard types of oil seals and their main characteristics is shown below.

In addition to these standardised types, the following special types are also available:

  • Rubber oil seals with a rubber fabric outer case

These are comparable to type R and RST, except the outer case does not have a metal reinforcement ring. To compensate, the outside is not made of normal rubber, but a hard, heavy-duty rubber fabric. The advantage is that these types can be made in a split version. They are almost always produced to order, and made of NBR or FKM.

  • PTFE Lip seals

These types are made with a metal outer case and a PTFE lip. They are suitable for a wide range of temperatures from -90 °C to +260 °C.These lip seals can also be used for higher pressures of up to 10 bar (special types up to 25 bar) and rotational speeds of up to 40-45 m/s. Certain grades of PTFE are suitable for use in pharmaceutical and food applications. One important point is that PTFE lip seals do require a shaft with a harder, smoother finish.

  • Cassette Seals

Cassette seals are designed to maximise grease or oil retention and protection against liquid or solid contaminants. These seals are provided with their own bushings in which dirt is kept out and oil/grease kept in by a multi-lip seal.

These cassette seals are widely used in wheel-end applications, such as the axles of agricultural machinery or off-road trucks.

 
  • Oil seal for higher pressures
     

The sealing lip of the RST-D is more heavy-duty, so it can cope with pressures of up to 10 bar at slightly lower rotation speeds.

Reinforced GVP design for larger diameters, with rotation speeds of up to 15 m/s and pressure of 3-4 bar

Oil seal material

Outer case

  • Metal

The metal used in the outer case of oil seals is usually made of carbon steel. Upon request, and depending on quantities, a different type of steel (such as stainless steel) can be used.

  • Rubber or rubber fabric

The quality of the rubber or rubber fabric used to make an outer case is the same as the quality of the rubber sealing lip. Fabric reinforced rubber is, as the name suggests, rubber reinforced with a fabric.

Spring

Standard springs are made of carbon steel. We use stainless-steel springs for our GR and GRST oil seals made from FKM rubber. In some rare cases, an O-ring is even used as a spring element. Standard PTFE lip seals are not fitted with springs.

Sealing lip

The sealing lip is always made of a rubber or synthetic material. For oil seals with a rubber outer case (R, RST, GR, GRST), the rubber quality of the sealing lip and the outer case are the same.

The material of the sealing lip is chosen according to the liquid to be sealed and the rotational speed. For larger shafts, an NBR sealing lip can cope with surface speeds of up to 10-12 m/s, while an FKM lip is suitable for speeds of up to 35-38 m/s. 

Nitrile Butadiene Rubber (NBR, nitrile)

NBR, also known as nitrile rubber or nitrile, is the most popular material for an oil seal because of its good resistance to many oils and greases, such as mineral grease and hydraulic oil. Depending on their composition, synthetic oils and greases, such as those based on glycol, can damage NBR rubber materials. Depending on the amount of glycol, a PTFE lip seal may be the best choice. NBR is also unable to cope with contact with acids and solvents. The rubber is suitable for oil and grease at temperatures from -35 °C to 100 °C.

Most ERIKS oil seals, such as the types M, MST, R and RST, are made of NBR as standard.

Fluorine rubber (FKM, Viton™)

FKM or FPM, which is in well-known brand Viton™, can withstand higher liquid temperatures of up to 180 ˚C. FKM is highly resistant to strong acids and bases, as well as to synthetic oils and greases. Glycol-based oil and grease, however, can also damage FKM.

Because of the higher temperature resistance of FKM, this material is also chosen for applications where higher speeds play a role, which raise the temperature at the sealing lip considerably. Usually, using FKM will result in a longer life than using NBR. This compensates the higher price of FKM compared to NBR, as an FKM does not have to be replaced as frequently. The low temperature resistance of standard FKM is limited to -15 ˚C.

Polytetrafluoroethylene (PTFE, Teflon®)

PTFE, which is used in the well-known brand Teflon®, is less commonly used, but it is the preferred material for specific rotating seals in the chemical, food and pharmaceutical industries. This material is notable for having a very low frictional resistance and the best chemical resistance. It can also withstand a very wide range of temperatures in these types of seals; -80 ˚C to 200 ˚C. The shafts on which oil seals with PTFE lips are used require a harder and finer finish. Something like an axle sleeve can also be used to meet this requirement.

EPDM

EPDM oil seals are less common. They are used in solvent, hot water and steam applications, EPDM resists low temperatures down to -50 °C and UV radiation well. Some types of EPDM are also suitable for higher temperatures up to +150 °C. EPDM oil seals are usually available upon request.

VMQ (silicone)

VMQ, also known as silicone, is also used for oil seals, but this is less common because the mechanical strength of VMQ is low and this material has poor wear-resistance This makes it less suitable for dynamic applications, but it can withstand fairly low and high temperatures from -60 °C to 200 °C. Many types of VMQ are also suitable for contact with pharmaceutical and food products, so VMQ is an option worth considering. VMQ oil seals are usually available on request.

Rubber type

Material Code ISO 1629

Heat resistance

Rubber type

Nitrile 
High wear resistance good running properties for general use

Material Code ISO 1629

NBR

Heat resistance

-35 °C to + 100 °C

Rubber type

Polyacrylate 
Better heat, oil and chemical resistance than NBR 
It is recommended for use in oil which contains load bearing additives such as EP gear oils

Material Code ISO 1629

ACM

Heat resistance

-20 °C to + 130 °C

Rubber type

Viton® 
High level of chemical resistance 
High temperature resistance

Material Code ISO 1629

FPM

Heat resistance

-15 °C to + 180 °C

Rubber type

Silicone 
Wide temperature range 
Commonly used in low temperature applications 
Very prone to mechanical damage during fitting

Material Code ISO 1629

MVQ

Heat resistance

-50 °C to + 150 °C

Rubber type

Polytetrafluoroethylene 
Chemical resistant 
Low coefficient of friction poor elastic properties not wear resistant if used by dynamic applications

Material Code ISO 1629

PTFE

Heat resistance

-80 °C to + 200 °C

Rubber type

Leather 
Recommended for abrasive applications 
Good running properties, due to the impregnated seal lip 
Can be used on shafts which have a surface roughness outside the range for rubber seals 
Not suitable for water

Material Code ISO 1629

-

Heat resistance

-40 °C to + 90 °C

Oil seal size

Oil seals are available in an immense range of sizes, for shafts from a few millimetres to several metres. Once the shaft diameter, groove diameter (housing diameter) and groove width are known, selecting an appropriate oil seal is a simple task. An oil seal or its product description is usually associated with three dimensions, for example 6x15x4. These refer to the sizes of the hardware for which the oil seal is designed. In this example, this oil seal is suitable for: 6-mm shaft diameter x 15-mm groove diameter x 4-mm minimum groove width.

Oil seal installation

Have you found the right oil seal for your application? The next step is fitting the oil seal correctly, so that it remains undamaged.

Preparation

Before fitting the oil seal, it is essential to check that the oil seal, shaft and bore are clean and undamaged. The surfaces the oil seal will come into contact with must be free of sharp points or burrs. The sealing lip is fragile, so even minimal damage can cause a leak. It is also important that the shaft and bore are correctly finished.

Prepare the shaft and prevent damage

To install an oil seal properly, the shaft must be undamaged. This is so the oil seal can do its job properly on the one hand, and to prevent it from being damaged during fitting on the other. In addition, it is very important to lubricate the shaft, the sealing lip and the bore with plenty of grease. This will allow the oil seal to slide more easily over the shaft and prevent dry running after the first rotation. The oil seal may also come into contact with the keyway, thread or other grooves when sliding over the shaft. By taping or covering the shaft at the location of these irregularities with oil-soaked paper, the oil seal can be mounted without damage to the sealing lip.

Other important factors are ensuring the hardness and roughness of the shaft are correct. A shaft hardness of HRC 45 is recommended for a rubber sealing lip, with a roughness of Ra 0.4-0.8. A higher shaft hardness of HRC 60 and shaft roughness of Ra 0.1-0.4 is recommended for a PTFE lip.

Fitting an oil seal

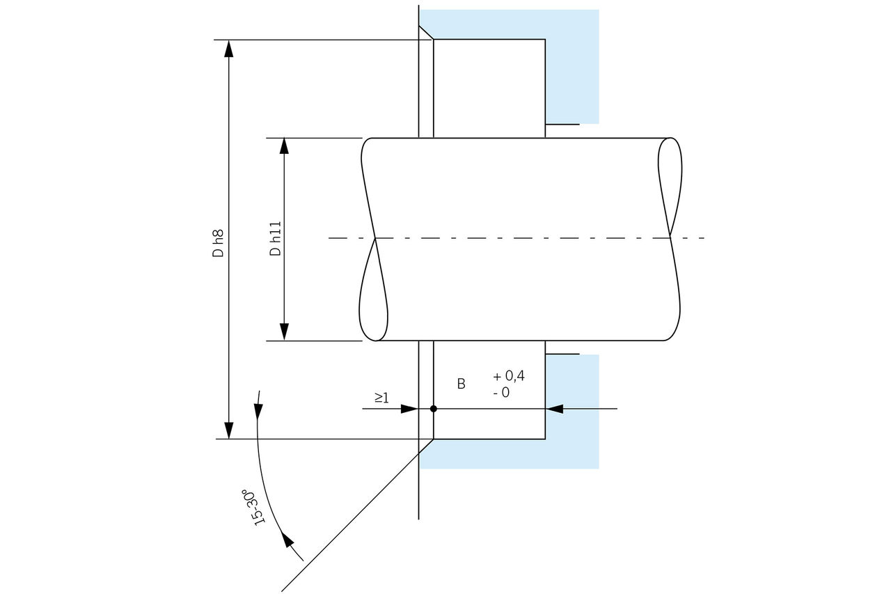
Always start by making sure the oil seal is facing the right direction. The oil seal must be positioned with its spring to the side of the medium to be sealed. The oil seal must then be pressed into the bore. It must fit tightly (H8 in the groove is recommended). Use appropriate tools for this, such as an impact socket set, to ensure that the force is applied evenly during pressing. The oil seal must never be hammered into the bore with brute force, but eased in.

See here for more information and useful fitting tips.

Author

Stijn de Cnop

Stijn de Cnop

Product Manager of Sealing & Polymer Technology

Stijn de Cnop

Author: Stijn de Cnop

Product Manager of Sealing & Polymer Technology

Subscribe to our newsletter:

For the latest industry news and updates.

Contact

Direct contact

Want to speak directly with one of our employees or specialist? Don’t wait and get in touch

General contact

Get in contact with us. Please fill in our online form and we will contact you as soon as possible.